(!)Due to Microsoft's end of support for Internet Explorer 11 on 15/06/2022, this site does not support the recommended environment.
While it has the same shape as conventional Tip Shape Selectable Type (Shapes A and C only), its configurable range is different therefrom. Overall length of insertion guide, R length and tapered section length are configurable.
Part Number
Configured Part Number is shown.
a = 1.0
d = D - 0.2
[ ! ] Relief dimensions are reference values.

| Tip Shape | |
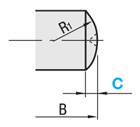
| A Config. | ![]() [ ! ]R1 = P28C+C2 |
| C Config. | ![]() [ ! ]R2 = PcosA-2EsinA2-2sinA Reference: sin15° ≒ 0.259 sin30° = 0.5 sin45° ≒ 0.707 |
| Material No. | [M] Material | [S] Surface Treatment | [H] Hardness | P, L, B Configurable | P, L, B, ML Configurable |
| (1) | SKS3 Equivalent | — | Treated Hardness: 55 to 60 HRC | LPALJ | LPALJL |
| (2) | SKS3 Equivalent | Hard Chrome Plating | Treaded Hardness: 50 to 55 HRC Plating Hardness: 750 HV or more | LPALG | LPALGL |
| (3) | S45C Equivalent | — | Treated Hardness: 45 to 50 HRC | LPAL | LPALL |
| (4) | S45C Equivalent | Black Oxide | Treated Hardness: 45 to 50 HRC | LPALB | LPALBL |
| (5) | S45C Equivalent | Hard Chrome Plating | Treated Hardness: 45 to 50 HRC Plating Hardness: 750 HV or more | LPALR | LPALRL |
| (6) | SUS304 | — | — | LPALS | LPALSL |
| (7) | SUS304 | Hard Chrome Plating | Plating Hardness: 750 HV or more | LPALD | LPALDL |
| (8) | SUS440C or 13Cr Stainless Steel | — | Treaded Hardness: 50 to 55 HRC | LPALC | LPALCL |
| Part Number | — | P | — | B | — | C | — | A | — | E | — | L | — | ML |
| LPALJA10 LPALC16 LPALRLA8 | — — — | P12.00 P20.00 P10.00 | — — — | B6.5 B7.0 B10.0 | — — | C5 C5 | — | A15 | — | E10 | — — — | L0 L5 L2 | — | ML10 |
| Part Number | P 0.01 mm Increments | B 0.1 mm Increments | C 1 mm Increments | A Selection | E 1 mm Increments | L 1 mm Increments | ML (Mx1.5) | M (Coarse) | * Tightening Torque N・cm | |||
| Type | Tip Config. | D | D Dimension Tolerance g6 | |||||||||
| Shape A only | Shape C only | Shape C only | ||||||||||
| LPALJ LPALG LPAL LPALB LPALR LPALS LPALD LPALC | A C | 3 | −0.002 −0.008 | 4.00 to 8.00 | 5.0 to 30.0 | Shape A 1 ≤ C ≤ P/2 | Shape C 15 30 45 | Shape C 3 to 28 [!] Configurable range depends on P dimension. Confirm "Details of E Dimension Configurable Range" in the table below. | 0 to 12 | 4.5 | M3 | 98 |
| 4 | −0.004 −0.012 | 5.00 to 9.00 | 5.0 to 30.0 | 6 | M4 | 225 | ||||||
| 5 | 6.00 to 10.00 | 5.0 to 35.0 | 0 to 15 | 7.5 | M5 | 461 | ||||||
| 6 | 7.00 to 12.00 | 5.0 to 45.0 | 9 | M6 | 784 | |||||||
| 8 | −0.005 −0.014 | 9.00 to 15.00 | 5.0 to 45.0 | 12 | M8 | 1911 | ||||||
| 10 | 11.00 to 20.00 | 5.0 to 55.0 | 0 to 20 | 15 | M10 | 3783 | ||||||
| 12 | −0.006 −0.017 | 13.00 to 20.00 | 5.0 to 55.0 | 18 | M12 | 6605 | ||||||
| 16 | 17.00 to 27.00 | 5.0 to 60.0 | 0 to 25 | 24 | M16 | 16366 | ||||||
| 20 | −0.007 −0.020 | 21.00 to 30.00 | 5.0 to 60.0 | 30 | M20 | 32928 | ||||||
| Part Number | P 0.01 mm Increments | B 0.1 mm Increments | C 1 mm Increments | A Selection | E 1 mm Increments | L 1 mm Increments | ML 1 mm Increments | M (Coarse) | * Tightening Torque N・cm | |||
| Type | Tip Config. | D | D Dimension Tolerance g6 | |||||||||
| Shape A only | Shape C only | Shape C only | ||||||||||
| LPALJL LPALGL LPALL LPALBL LPALRL LPALSL LPALDL LPALCL | A C | 3 | −0.002 −0.008 | 4.00 to 8.00 | 5.0 to 30.0 | Shape A 1 ≤ C ≤ P/2 | Shape C 15 30 45 | Shape C 3 to 28 [!] Configurable range depends on P dimension. Confirm "Details of E Dimension Configurable Range" in the table below. | 0 to 12 | 3 to 9 | M3 | 98 |
| 4 | −0.004 −0.012 | 5.00 to 9.00 | 5.0 to 30.0 | 4 to 12 | M4 | 225 | ||||||
| 5 | 6.00 to 10.00 | 5.0 to 35.0 | 0 to 15 | 5 to 15 | M5 | 461 | ||||||
| 6 | 7.00 to 12.00 | 5.0 to 45.0 | 6 to 18 | M6 | 784 | |||||||
| 8 | −0.005 −0.014 | 9.00 to 15.00 | 5.0 to 45.0 | 8 to 24 | M8 | 1911 | ||||||
| 10 | 11.00 to 20.00 | 5.0 to 55.0 | 0 to 20 | 10 to 30 | M10 | 3783 | ||||||
| 12 | −0.006 −0.017 | 13.00 to 20.00 | 5.0 to 55.0 | 12 to 30 | M12 | 6605 | ||||||
| 16 | 17.00 to 27.00 | 5.0 to 60.0 | 0 to 25 | 16 to 40 | M16 | 16366 | ||||||
| 20 | −0.007 −0.020 | 21.00 to 30.00 | 5.0 to 60.0 | 20 to 40 | M20 | 32928 | ||||||
| P | E 1 mm Increments | ||
| A 15 | A 30 | A 45 | |
| 4.00 to 4.99 | 4 | — | — |
| 5.00 to 8.00 | 4 to 6 | 3 | — |
| 8.01 to 12.00 | 6 to 12 | 4·5 | 3 |
| 12.01 to 16.00 | 8 to 16 | 5 to 9 | 4·5 |
| 16.01 to 20.00 | 10 to 20 | 7 to 12 | 5 to 7 |
| 20.01 to 25.00 | 12 to 24 | 8 to 15 | 6 to 9 |
| 25.01 to 30.00 | 14 to 28 | 10 to 18 | 7 to 11 |
| Alterations Code | Alteration Details | Application Conditions | Ordering Example |
| SC | Adds Wrench Flats![]() | SC = 1 mm Increments [ ! ]P-3 ≤ SC ≤ P-1,SC ≥ D [ ! ] When B - C or B - E ≤ 11, adds wrench flats on the tip [NG] Not applicable to Diamond Shape | LPALA5-P10.00-B12.0-R6-L5-SC8 |
| LAC | Adds a wrench hole (⌀3.5)![]() | ø3.5 Hole Machining [ ! ] Applicable when B - C or B - E ≥ 10 and when P ≥ 8 [NG] Not applicable to Diamond Shape | LPALA5-P10.00-B12.0-R6-L5-LAC |
| LTE | Adds a wrench hole (⌀2.5)![]() | ø2.5 Hole Machining [ ! ] Applicable when B-C or B-E ≥ 8 and when 7 ≤ P ≤ 15 [NG] Not applicable to Diamond Shape | LPALA5-P10.00-B12.0-R6-L5-LTE |
| DRC | Screwdriver Slot![]() | [ ! ] Width 0.8 mm Depth 1 mm | LPALA5-P10.00-B12.0-R6-L5-DRC |
| MC | Changes the thread diameter![]() | [ ! ]D/3 ≤ MC < D [ ! ]MC ≥ 3 Ordering Code MC4 [ ! ] The incomplete threaded portion (Pitch × 2) is included. [NG] P, L, B, ML Configurable Types are not applicable | LPALA5-P10.00-B12.0-R6-L5-MC4 |
| NNC | Adds Relief![]() | [ ! ] Applicable when L = 0 | LPALA5-P10.00-B12.0-R6-L0-NNC |
CAD Data download and 3D preview are not available because the part number has not yet been determined.
| Part Number |
|---|
| LPALA3 |
| LPALA4 |
| LPALA5 |
| LPALA6 |
| LPALA8 |
| LPALA10 |
| LPALA12-P[16-20/0.1]-B[5-55/0.1]-C[1-10/1]-L[0-20/1] |
| LPALA16 |
| LPALA20 |
| LPALBA3 |
| LPALBA4 |
| LPALBA5 |
| LPALBA6-P[8-12/0.1]-B[5-45/0.1]-C[1-6/1]-L[0-10/1] |
| LPALBA8 |
| LPALBA10 |
| LPALBA12-P[16-20/0.1]-B[5-55/0.1]-C[1-10/1]-L[0-20/1] |
| LPALBA16 |
| LPALBA20 |
| LPALBC3 |
| LPALBC4 |
| LPALBC5 |
| LPALBC6 |
| LPALBC8 |
| LPALBC10 |
| LPALBC12-P[16-20/0.1]-B[5-55/0.1]-A[15,30,45]-E[3-28/1]-L[0-20/1] |
| LPALBC16 |
| LPALBC20 |
| LPALC3 |
| LPALC4-P[5-9/0.01]-B[5-30/0.1]-A[15,30,45]-E[3-28/1]-L[0-12/1] |
| LPALC5 |
| LPALC6-P[7-12/0.01]-B[5-45/0.1]-A[15,30,45]-E[3-28/1]-L[0-15/1] |
| LPALC8-P[9-15/0.01]-B[5-45/0.1]-A[15,30,45]-E[3-28/1]-L[0-10/1] |
| LPALC10-P[11-20/0.01]-B[5-55/0.1]-A[15,30,45]-E[3-28/1]-L[0-20/1] |
| LPALC12-P[16-20/0.1]-B[5-55/0.1]-A[15,30,45]-E[3-28/1]-L[0-20/1] |
| LPALC16 |
| LPALC20 |
| LPALCA3-P[5-6/0.1]-B[5-30/0.1]-C[1-3/1]-L[0-10/1] |
| LPALCA4-P[5-9/0.1]-B[5-25/0.1]-C[1-4/1]-L[0-10/1] |
| LPALCA5-P[6-10/0.1]-B[5-30/0.1]-C[1-5/1]-L[0-10/1] |
| LPALCA6-P[8-12/0.1]-B[5-40/0.1]-C[1-6/1]-L[0-10/1] |
| LPALCA8-P[10-15/0.1]-B[5-40/0.1]-C[1-7/1]-L[0-10/1] |
| LPALCA10-P[12-20/0.1]-B[5-50/0.1]-C[1-10/1]-L[0-10/1] |
| LPALCA12-P[16-20/0.1]-B[5-50/0.1]-C[1-10/1]-L[0-10/1] |
| LPALCA16-P[18-24/0.1]-B[5-50/0.1]-C[1-12/1]-L[0-10/1] |
| LPALCA20-P[22-30/0.1]-B[5-50/0.1]-C[1-15/1]-L[0-10/1] |
| LPALCC3-P[5-6/0.1]-B[5-25/0.1]-A[15,30,45]-E[3-28/1]-L[0-10/1] |
| LPALCC4-P[5-9/0.1]-B[5-25/0.1]-A[15,30,45]-E[3-28/1]-L[0-10/1] |
| LPALCC5-P[6-10/0.1]-B[5-30/0.1]-A[15,30,45]-E[3-28/1]-L[0-10/1] |
| LPALCC6-P[8-12/0.1]-B[5-40/0.1]-A[15,30,45]-E[3-28/1]-L[0-10/1] |
| LPALCC8-P[10-15/0.1]-B[5-40/0.1]-A[15,30,45]-E[3-28/1]-L[0-10/1] |
| LPALCC10-P[12-20/0.1]-B[5-50/0.1]-A[15,30,45]-E[3-28/1]-L[0-10/1] |
| LPALCC12-P[16-20/0.1]-B[5-50/0.1]-A[15,30,45]-E[3-28/1]-L[0-10/1] |
| LPALCC16-P[18-24/0.1]-B[5-50/0.1]-A[15,30,45]-E[3-28/1]-L[0-10/1] |
| LPALCC20-P[22-30/0.1]-B[5-50/0.1]-A[15,30,45]-E[3-28/1]-L[0-10/1] |
| LPALDA3-P[5-6/0.1]-B[5-30/0.1]-C[1-3/1]-L[0-10/1] |
| LPALDA4-P[5-9/0.1]-B[5-25/0.1]-C[1-4/1]-L[0-10/1] |
| LPALDA5-P[6-10/0.1]-B[5-30/0.1]-C[1-5/1]-L[0-10/1] |
| LPALDA6-P[8-12/0.1]-B[5-40/0.1]-C[1-6/1]-L[0-10/1] |
| LPALDA8-P[10-15/0.1]-B[5-40/0.1]-C[1-7/1]-L[0-10/1] |
| LPALDA10-P[12-20/0.1]-B[5-50/0.1]-C[1-10/1]-L[0-10/1] |
| Part Number | Standard Unit Price | Minimum order quantity | Volume Discount | Days to Ship | RoHS | Material Details | Insertion Guide Tip Type | Surface Treatment | Heat Treatment | Material | Locating Side Outer Dia. P (Ø) (mm) | Mounting Side Outer Dia. D (mm) | Mounting Section Length L (mm) | Taper Length E (mm) | A (°) | C (mm) | Length of Locating Side B (mm) |
|---|---|---|---|---|---|---|---|---|---|---|---|---|---|---|---|---|---|
MYR 36.85 | 1 Piece(s) | Available | 7 Day(s) | 10 | S45C (Including equivalent materials) | R | Not Provided | Dip Quenching | [Steel] S45C Equivalent | - | 3 | - | - | - | - | - | |
MYR 39.60 | 1 Piece(s) | Available | 7 Day(s) | 10 | S45C (Including equivalent materials) | R | Not Provided | Dip Quenching | [Steel] S45C Equivalent | - | 4 | - | - | - | - | - | |
MYR 41.25 | 1 Piece(s) | Available | 7 Day(s) | 10 | S45C (Including equivalent materials) | R | Not Provided | Dip Quenching | [Steel] S45C Equivalent | - | 5 | - | - | - | - | - | |
MYR 44.56 | 1 Piece(s) | Available | 7 Day(s) | 10 | S45C (Including equivalent materials) | R | Not Provided | Dip Quenching | [Steel] S45C Equivalent | - | 6 | - | - | - | - | - | |
MYR 50.59 | 1 Piece(s) | Available | 7 Day(s) | 10 | S45C (Including equivalent materials) | R | Not Provided | Dip Quenching | [Steel] S45C Equivalent | - | 8 | - | - | - | - | - | |
MYR 71.50 | 1 Piece(s) | Available | 7 Day(s) | 10 | S45C (Including equivalent materials) | R | Not Provided | Dip Quenching | [Steel] S45C Equivalent | - | 10 | - | - | - | - | - | |
- | 1 Piece(s) | 7 Day(s) | 10 | S45C (Including equivalent materials) | R | Not Provided | Dip Quenching | [Steel] S45C Equivalent | 16 ~ 20 | 12 | 0 ~ 20 | - | - | 1 ~ 10 | 5 ~ 55 | ||
MYR 98.45 | 1 Piece(s) | Available | 7 Day(s) | 10 | S45C (Including equivalent materials) | R | Not Provided | Dip Quenching | [Steel] S45C Equivalent | - | 16 | - | - | - | - | - | |
MYR 105.05 | 1 Piece(s) | Available | 7 Day(s) | 10 | S45C (Including equivalent materials) | R | Not Provided | Dip Quenching | [Steel] S45C Equivalent | - | 20 | - | - | - | - | - | |
MYR 41.25 | 1 Piece(s) | Available | 7 Day(s) | 10 | S45C (Including equivalent materials) | R | Black Oxide | Dip Quenching | [Steel] S45C Equivalent | - | 3 | - | - | - | - | - | |
MYR 43.45 | 1 Piece(s) | Available | 7 Day(s) | 10 | S45C (Including equivalent materials) | R | Black Oxide | Dip Quenching | [Steel] S45C Equivalent | - | 4 | - | - | - | - | - | |
MYR 46.20 | 1 Piece(s) | Available | 7 Day(s) | 10 | S45C (Including equivalent materials) | R | Black Oxide | Dip Quenching | [Steel] S45C Equivalent | - | 5 | - | - | - | - | - | |
- | 1 Piece(s) | 7 Day(s) | 10 | S45C (Including equivalent materials) | R | Black Oxide | Dip Quenching | [Steel] S45C Equivalent | 8 ~ 12 | 6 | 0 ~ 10 | - | - | 1 ~ 6 | 5 ~ 45 | ||
MYR 55.00 | 1 Piece(s) | Available | 7 Day(s) | 10 | S45C (Including equivalent materials) | R | Black Oxide | Dip Quenching | [Steel] S45C Equivalent | - | 8 | - | - | - | - | - | |
MYR 84.14 | 1 Piece(s) | Available | 7 Day(s) | 10 | S45C (Including equivalent materials) | R | Black Oxide | Dip Quenching | [Steel] S45C Equivalent | - | 10 | - | - | - | - | - | |
- | 1 Piece(s) | 7 Day(s) | 10 | S45C (Including equivalent materials) | R | Black Oxide | Dip Quenching | [Steel] S45C Equivalent | 16 ~ 20 | 12 | 0 ~ 20 | - | - | 1 ~ 10 | 5 ~ 55 | ||
MYR 121.00 | 1 Piece(s) | Available | 7 Day(s) | 10 | S45C (Including equivalent materials) | R | Black Oxide | Dip Quenching | [Steel] S45C Equivalent | - | 16 | - | - | - | - | - | |
MYR 131.99 | 1 Piece(s) | Available | 7 Day(s) | 10 | S45C (Including equivalent materials) | R | Black Oxide | Dip Quenching | [Steel] S45C Equivalent | - | 20 | - | - | - | - | - | |
MYR 41.25 | 1 Piece(s) | Available | 7 Day(s) | 10 | S45C (Including equivalent materials) | Taper R | Black Oxide | Dip Quenching | [Steel] S45C Equivalent | - | 3 | - | - | - | - | - | |
MYR 43.45 | 1 Piece(s) | Available | 7 Day(s) | 10 | S45C (Including equivalent materials) | Taper R | Black Oxide | Dip Quenching | [Steel] S45C Equivalent | - | 4 | - | - | - | - | - | |
MYR 46.20 | 1 Piece(s) | Available | 7 Day(s) | 10 | S45C (Including equivalent materials) | Taper R | Black Oxide | Dip Quenching | [Steel] S45C Equivalent | - | 5 | - | - | - | - | - | |
MYR 49.49 | 1 Piece(s) | Available | 7 Day(s) | 10 | S45C (Including equivalent materials) | Taper R | Black Oxide | Dip Quenching | [Steel] S45C Equivalent | - | 6 | - | - | - | - | - | |
MYR 55.00 | 1 Piece(s) | Available | 7 Day(s) | 10 | S45C (Including equivalent materials) | Taper R | Black Oxide | Dip Quenching | [Steel] S45C Equivalent | - | 8 | - | - | - | - | - | |
MYR 84.14 | 1 Piece(s) | Available | 7 Day(s) | 10 | S45C (Including equivalent materials) | Taper R | Black Oxide | Dip Quenching | [Steel] S45C Equivalent | - | 10 | - | - | - | - | - | |
- | 1 Piece(s) | 7 Day(s) | 10 | S45C (Including equivalent materials) | Taper R | Black Oxide | Dip Quenching | [Steel] S45C Equivalent | 16 ~ 20 | 12 | 0 ~ 20 | 3 ~ 28 | 15 ~ 45 | - | 5 ~ 55 | ||
MYR 121.00 | 1 Piece(s) | Available | 7 Day(s) | 10 | S45C (Including equivalent materials) | Taper R | Black Oxide | Dip Quenching | [Steel] S45C Equivalent | - | 16 | - | - | - | - | - | |
MYR 131.99 | 1 Piece(s) | Available | 7 Day(s) | 10 | S45C (Including equivalent materials) | Taper R | Black Oxide | Dip Quenching | [Steel] S45C Equivalent | - | 20 | - | - | - | - | - | |
MYR 36.85 | 1 Piece(s) | Available | 7 Day(s) | 10 | S45C (Including equivalent materials) | Taper R | Not Provided | Dip Quenching | [Steel] S45C Equivalent | - | 3 | - | - | - | - | - | |
- | 1 Piece(s) | 7 Day(s) | 10 | S45C (Including equivalent materials) | Taper R | Not Provided | Dip Quenching | [Steel] S45C Equivalent | 5 ~ 9 | 4 | 0 ~ 12 | 3 ~ 28 | 15 ~ 45 | - | 5 ~ 30 | ||
MYR 41.25 | 1 Piece(s) | Available | 7 Day(s) | 10 | S45C (Including equivalent materials) | Taper R | Not Provided | Dip Quenching | [Steel] S45C Equivalent | - | 5 | - | - | - | - | - | |
- | 1 Piece(s) | 7 Day(s) | 10 | S45C (Including equivalent materials) | Taper R | Not Provided | Dip Quenching | [Steel] S45C Equivalent | 7 ~ 12 | 6 | 0 ~ 15 | 3 ~ 28 | 15 ~ 45 | - | 5 ~ 45 | ||
- | 1 Piece(s) | 7 Day(s) | 10 | S45C (Including equivalent materials) | Taper R | Not Provided | Dip Quenching | [Steel] S45C Equivalent | 9 ~ 15 | 8 | 0 ~ 10 | 3 ~ 28 | 15 ~ 45 | - | 5 ~ 45 | ||
- | 1 Piece(s) | 7 Day(s) | 10 | S45C (Including equivalent materials) | Taper R | Not Provided | Dip Quenching | [Steel] S45C Equivalent | 11 ~ 20 | 10 | 0 ~ 20 | 3 ~ 28 | 15 ~ 45 | - | 5 ~ 55 | ||
- | 1 Piece(s) | 7 Day(s) | 10 | S45C (Including equivalent materials) | Taper R | Not Provided | Dip Quenching | [Steel] S45C Equivalent | 16 ~ 20 | 12 | 0 ~ 20 | 3 ~ 28 | 15 ~ 45 | - | 5 ~ 55 | ||
MYR 98.45 | 1 Piece(s) | Available | 7 Day(s) | 10 | S45C (Including equivalent materials) | Taper R | Not Provided | Dip Quenching | [Steel] S45C Equivalent | - | 16 | - | - | - | - | - | |
MYR 105.05 | 1 Piece(s) | Available | 7 Day(s) | 10 | S45C (Including equivalent materials) | Taper R | Not Provided | Dip Quenching | [Steel] S45C Equivalent | - | 20 | - | - | - | - | - | |
- | 1 Piece(s) | 3 Day(s) | 10 | SUS440C or 13Cr Stainless Steel | R | Not Provided | Dip Quenching | [Stainless Steel] SUS440C Equivalent | 5 ~ 6 | 3 | 0 ~ 10 | - | - | 1 ~ 3 | 5 ~ 30 | ||
- | 1 Piece(s) | 3 Day(s) | 10 | SUS440C or 13Cr Stainless Steel | R | Not Provided | Dip Quenching | [Stainless Steel] SUS440C Equivalent | 5 ~ 9 | 4 | 0 ~ 10 | - | - | 1 ~ 4 | 5 ~ 25 | ||
- | 1 Piece(s) | 3 Day(s) | 10 | SUS440C or 13Cr Stainless Steel | R | Not Provided | Dip Quenching | [Stainless Steel] SUS440C Equivalent | 6 ~ 10 | 5 | 0 ~ 10 | - | - | 1 ~ 5 | 5 ~ 30 | ||
- | 1 Piece(s) | 3 Day(s) | 10 | SUS440C or 13Cr Stainless Steel | R | Not Provided | Dip Quenching | [Stainless Steel] SUS440C Equivalent | 8 ~ 12 | 6 | 0 ~ 10 | - | - | 1 ~ 6 | 5 ~ 40 | ||
- | 1 Piece(s) | 3 Day(s) | 10 | SUS440C or 13Cr Stainless Steel | R | Not Provided | Dip Quenching | [Stainless Steel] SUS440C Equivalent | 10 ~ 15 | 8 | 0 ~ 10 | - | - | 1 ~ 7 | 5 ~ 40 | ||
- | 1 Piece(s) | 3 Day(s) | 10 | SUS440C or 13Cr Stainless Steel | R | Not Provided | Dip Quenching | [Stainless Steel] SUS440C Equivalent | 12 ~ 20 | 10 | 0 ~ 10 | - | - | 1 ~ 10 | 5 ~ 50 | ||
- | 1 Piece(s) | 3 Day(s) | 10 | SUS440C or 13Cr Stainless Steel | R | Not Provided | Dip Quenching | [Stainless Steel] SUS440C Equivalent | 16 ~ 20 | 12 | 0 ~ 10 | - | - | 1 ~ 10 | 5 ~ 50 | ||
- | 1 Piece(s) | 3 Day(s) | 10 | SUS440C or 13Cr Stainless Steel | R | Not Provided | Dip Quenching | [Stainless Steel] SUS440C Equivalent | 18 ~ 24 | 16 | 0 ~ 10 | - | - | 1 ~ 12 | 5 ~ 50 | ||
- | 1 Piece(s) | 3 Day(s) | 10 | SUS440C or 13Cr Stainless Steel | R | Not Provided | Dip Quenching | [Stainless Steel] SUS440C Equivalent | 22 ~ 30 | 20 | 0 ~ 10 | - | - | 1 ~ 15 | 5 ~ 50 | ||
- | 1 Piece(s) | 3 Day(s) | 10 | SUS440C or 13Cr Stainless Steel | Taper R | Not Provided | Dip Quenching | [Stainless Steel] SUS440C Equivalent | 5 ~ 6 | 3 | 0 ~ 10 | 3 ~ 28 | 15 ~ 45 | - | 5 ~ 25 | ||
- | 1 Piece(s) | 3 Day(s) | 10 | SUS440C or 13Cr Stainless Steel | Taper R | Not Provided | Dip Quenching | [Stainless Steel] SUS440C Equivalent | 5 ~ 9 | 4 | 0 ~ 10 | 3 ~ 28 | 15 ~ 45 | - | 5 ~ 25 | ||
- | 1 Piece(s) | 3 Day(s) | 10 | SUS440C or 13Cr Stainless Steel | Taper R | Not Provided | Dip Quenching | [Stainless Steel] SUS440C Equivalent | 6 ~ 10 | 5 | 0 ~ 10 | 3 ~ 28 | 15 ~ 45 | - | 5 ~ 30 | ||
- | 1 Piece(s) | 3 Day(s) | 10 | SUS440C or 13Cr Stainless Steel | Taper R | Not Provided | Dip Quenching | [Stainless Steel] SUS440C Equivalent | 8 ~ 12 | 6 | 0 ~ 10 | 3 ~ 28 | 15 ~ 45 | - | 5 ~ 40 | ||
- | 1 Piece(s) | 3 Day(s) | 10 | SUS440C or 13Cr Stainless Steel | Taper R | Not Provided | Dip Quenching | [Stainless Steel] SUS440C Equivalent | 10 ~ 15 | 8 | 0 ~ 10 | 3 ~ 28 | 15 ~ 45 | - | 5 ~ 40 | ||
- | 1 Piece(s) | 3 Day(s) | 10 | SUS440C or 13Cr Stainless Steel | Taper R | Not Provided | Dip Quenching | [Stainless Steel] SUS440C Equivalent | 12 ~ 20 | 10 | 0 ~ 10 | 3 ~ 28 | 15 ~ 45 | - | 5 ~ 50 | ||
- | 1 Piece(s) | 3 Day(s) | 10 | SUS440C or 13Cr Stainless Steel | Taper R | Not Provided | Dip Quenching | [Stainless Steel] SUS440C Equivalent | 16 ~ 20 | 12 | 0 ~ 10 | 3 ~ 28 | 15 ~ 45 | - | 5 ~ 50 | ||
- | 1 Piece(s) | 3 Day(s) | 10 | SUS440C or 13Cr Stainless Steel | Taper R | Not Provided | Dip Quenching | [Stainless Steel] SUS440C Equivalent | 18 ~ 24 | 16 | 0 ~ 10 | 3 ~ 28 | 15 ~ 45 | - | 5 ~ 50 | ||
- | 1 Piece(s) | 3 Day(s) | 10 | SUS440C or 13Cr Stainless Steel | Taper R | Not Provided | Dip Quenching | [Stainless Steel] SUS440C Equivalent | 22 ~ 30 | 20 | 0 ~ 10 | 3 ~ 28 | 15 ~ 45 | - | 5 ~ 50 | ||
- | 1 Piece(s) | 4 Day(s) | 10 | SUS304 | R | [Hard Chrome Plating] Hard Chrome Plating | Not Provided | [Stainless Steel] SUS304 | 5 ~ 6 | 3 | 0 ~ 10 | - | - | 1 ~ 3 | 5 ~ 30 | ||
- | 1 Piece(s) | 4 Day(s) | 10 | SUS304 | R | [Hard Chrome Plating] Hard Chrome Plating | Not Provided | [Stainless Steel] SUS304 | 5 ~ 9 | 4 | 0 ~ 10 | - | - | 1 ~ 4 | 5 ~ 25 | ||
- | 1 Piece(s) | 4 Day(s) | 10 | SUS304 | R | [Hard Chrome Plating] Hard Chrome Plating | Not Provided | [Stainless Steel] SUS304 | 6 ~ 10 | 5 | 0 ~ 10 | - | - | 1 ~ 5 | 5 ~ 30 | ||
- | 1 Piece(s) | 4 Day(s) | 10 | SUS304 | R | [Hard Chrome Plating] Hard Chrome Plating | Not Provided | [Stainless Steel] SUS304 | 8 ~ 12 | 6 | 0 ~ 10 | - | - | 1 ~ 6 | 5 ~ 40 | ||
- | 1 Piece(s) | 4 Day(s) | 10 | SUS304 | R | [Hard Chrome Plating] Hard Chrome Plating | Not Provided | [Stainless Steel] SUS304 | 10 ~ 15 | 8 | 0 ~ 10 | - | - | 1 ~ 7 | 5 ~ 40 | ||
- | 1 Piece(s) | 4 Day(s) | 10 | SUS304 | R | [Hard Chrome Plating] Hard Chrome Plating | Not Provided | [Stainless Steel] SUS304 | 12 ~ 20 | 10 | 0 ~ 10 | - | - | 1 ~ 10 | 5 ~ 50 |
Loading...
| Basic Shape | Large Head | Insertion Guide Tip Shape | Round | Insertion Guide Specifications | Not Provided |
|---|---|---|---|---|---|
| Mounting Side Shape | Threaded | Locating Side O.D. Tolerance | 0/-0.01 | Mounting Side Tolerance | g6 |







MISUMI
Days to Ship : 4 Day(s) or more



MISUMI
Days to Ship : 6 Day(s) or more



MISUMI
Days to Ship : 7 Day(s) or more

How can we improve?
How can we improve?
While we are not able to respond directly to comments submitted in this form, the information will be reviewed for future improvement.
Customer Privacy Policy
Thank you for your cooperation.
While we are not able to respond directly to comments submitted in this form, the information will be reviewed for future improvement.
Please use the inquiry form.
Customer Privacy Policy