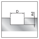
High-Speed Steel End Mill, Recommended Cutting Conditions, Square
Groove Cutting with AS-Coated Powdered High-Speed Steel Square End Mill

● This table uses Ad=0.5D for ASPM-EM2S and Ad=0.25D for ASPM-EM4S as standard.
● Use ASPM-EM2R / ASPM-CR-EM2R / ASPM-EM4R / ASPM-CR-EM4R at feed rates and rotational speeds of x80% of the criteria listed below.
● Use ASPM-EM2L / ASPM-EM4L at feed rates and rotational speeds of x60% of the criteria listed below.
● Use a machine and chuck that have rigidity and high accuracy.
● Select cutting oil suitable for the work material.
● If the rotational speed does not increase with your machine, lower the feed rate and rotational speed at the same ratio.
Model Number
ASPM-EM2S / ASPM-CR-EM2S / ASPM-EM4S / ASPM-CR-EM4S

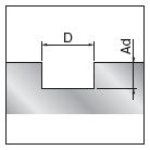
Side Surface Cutting with an AS-Coated Powdered High-Speed Steel Square End Mill

● This table uses Ad=1.5D, Rd=0.1D as standard.
● Use ASPM-EM4R / ASPM-CR-EM4R at feed rates and rotational speeds of x80% of the criteria listed below.
● Use ASPM-EM4L at feed rates and rotational speeds of x60% of the criteria listed below.
● Use ASPM-EM2S / ASPM-CR-EM2S at feed rates of x50% of the criteria listed below.
● Use ASPM-EM2R / ASPM-CR-EM2R at feed rates of x40% of the criteria listed below.
● Use ASPM-EM2L at feed rates of x30% of the criteria listed below.
● Use a machine and chuck that have rigidity and high accuracy.
● Select cutting oil suitable for the work material.
● If the rotational speed does not increase with your machine, lower the feed rate and rotational speed at the same ratio.
Model Number
ASPM-EM4S / ASPM-CR-EM4S

Groove Cutting with a TiCN-Coated Powdered High-Speed Steel Square End Mill

● This table uses Ad=0.5D for VPM-EM2S and Ad=0.25D for VPM-EM4S as standard.
● Use VPM-EM2R / VPM-EM4R at feed rates and rotational speeds of x80% of the criteria listed below.
● Use VPM-EM2L / VPM-EM4L at feed rates and rotational speeds of x60% of the criteria listed below.
● Use a machine and chuck that have rigidity and high accuracy.
● Select cutting oil suitable for the work material.
● If the rotational speed does not increase with your machine, lower the feed rate and rotational speed at the same ratio.
Model Number
VPM-EM2S / VPM-EM4S

Side Surface Cutting with a TiCN-Coated Powdered High-Speed Steel Square End Mill

● This table uses Ad=1.5D, Rd=0.1D as standard.
● Use VPM-EM4R at feed rates and rotational speeds of x80% of the criteria listed below.
● Use VPM-EM4L at feed rates and rotational speeds of x60% of the criteria listed below.
● Use VPM-EM2S at feed rates of x50% of the criteria listed below.
● Use VPM-EM2R at feed rates of x40% of the criteria listed below.
● Use VPM-EM2L at feed rates of x30% of the criteria listed below.
● Use a machine and chuck that have rigidity and high accuracy.
● Select cutting oil suitable for the work material.
● If the rotational speed does not increase with your machine, lower the feed rate and rotational speed at the same ratio.
Model Number
VPM-EM4S

Groove Cutting with Powdered High-Speed Steel Square End Mill

● Ad=0.5D is used for PM-EM2S and Ad=0.25D is used for PM-EM4S as standard.
● Use PM-EM2R / PM-EM4R at feed rates and rotational speeds of x80% of the criteria listed below.
● Use PM-EM2L / PM-EM4L at feed rates and rotational speeds of x60% of the criteria listed below.
● Use a machine and chuck that have rigidity and high accuracy.
● Select cutting oil suitable for the work material.
● If the rotational speed does not increase with your machine, lower the feed rate and rotational speed at the same ratio.
Model Number
PM-EM2S / PM-EM4S

Side Surface Cutting with Powdered High-Speed Steel Square End Mill

● This table uses Ad=1.5D, Rd=0.1D as standard.
● Use PM-EM4R at feed rates and rotational speeds of x80% of the criteria listed below.
● Use PM-EM4L at feed rates and rotational speeds of x60% of the criteria listed below.
● Use PM-EM2S at feed rates of x50% of the criteria listed below.
● Use PM-EM2R at feed rates of x40% of the criteria listed below.
● Use PM-EM2L at feed rates of x30% of the criteria listed below.
● Use a machine and chuck that have rigidity and high accuracy.
● Select cutting oil suitable for the work material.
● If the rotational speed does not increase with your machine, lower the feed rate and rotational speed at the same ratio.
Model Number
PM-EM4S

Groove Cutting with an AS-Coated Powdered High-Speed Steel High-Helical End Mill

● Ad (cutting depth) =0.5D is used for 3 blades, and Ad=0.3D is used for 4 blades as standard.
● A type including a nick for which the feed rate can be increased 1.3 to 1.5 times for rough machining.
● Use a machine and chuck that have rigidity and high accuracy.
● Select cutting oil suitable for the work material.
● If the rotational speed does not increase with your machine, lower the feed rate and rotational speed at the same ratio.
Model Number
ASPM-HEM3S / ASPM-HEM4S / ASPM-NHEM3S / ASPM-NHEM4S

Side Surface Cutting with an AS-Coated Powdered High-Speed Steel High-Helical End Mill

● This table uses Ad=1.5D, Rd=0.3D as standard.
● Ad (the cutting depth) can be increased by 1.2 to 1.3 times for 4 blades.
● A type including a nick for which the feed rate can be increased 1.3 to 1.5 times for rough machining.
● Use a machine and chuck that have rigidity and high accuracy.
● Select cutting oil suitable for the work material.
● If the rotational speed does not increase with your machine, lower the feed rate and rotational speed at the same ratio.
Model Number
ASPM-HEM3S / ASPM-HEM4S / ASPM-NHEM3S / ASPM-NHEM4S

Groove Cutting with an AS-Coated High-Speed Steel Square End Mill

● This table uses Ad=0.5D for AS-EM2S and Ad=0.25D for AS-EM4S as standard.
● Use AS-EM2R / AS-EM4R at feed rates and rotational speeds of x80% of the criteria listed below.
● Use AS-EM2L / AS-EM4L at feed rates and rotational speeds of x60% of the criteria listed below.
● Use a machine and chuck that have rigidity and high accuracy.
● Select cutting oil suitable for the work material.
● If the rotational speed does not increase with your machine, lower the feed rate and rotational speed at the same ratio.
Model Number
AS-EM2S / AS-EM4S

Side Surface Cutting with an AS-Coated High-Speed Steel Square End Mill

● This table uses Ad=1.5D, Rd=0.1D as standard.
● Use AS-EM4R at feed rates and rotational speeds of x80% of the criteria listed below.
● Use AS-EM4L at feed rates and rotational speeds of x60% of the criteria listed below.
● Use AS-EM2S at feed rates of x50% of the criteria listed below.
● Use AS-EM2R at feed rates of x40% of the criteria listed below.
● Use AS-EM2L at feed rates of x30% of the criteria listed below.
● Use a machine and chuck that have rigidity and high accuracy.
● Select cutting oil suitable for the work material.
● If the rotational speed does not increase with your machine, lower the feed rate and rotational speed at the same ratio.
Model Number
AS-EM4S

Groove Cutting with High-Speed Steel Square End Mill

● Ad=0.5D is used for EM2S and Ad=0.25D is used for EM4S as standard.
● Use EM2R / EM4R at feed rates and rotational speeds of x80% of the criteria listed below.
● Use EM2L / EM4L at feed rates and rotational speeds of x60% of the criteria listed below.
● Please reduce the cutting conditions for tools which have been modified beyond EM2S, EM2R, EM4S, and EM4R.
● Use a machine and chuck that have rigidity and high accuracy.
● Select cutting oil suitable for the work material.
● If the rotational speed does not increase with your machine, lower the feed rate and rotational speed at the same ratio.
Model Number
EM2S / EM4S

Side Surface Cutting with High-Speed Steel Square End Mill

● This table uses Ad=1.5D, Rd=0.1D as standard.
● Use EM4R at feed rates and rotational speeds of x80% of the criteria listed below.
● Use EM4L at feed rates and rotational speeds of x60% of the criteria listed below.
● Use EM2S at feed rates of x50% of the criteria listed below.
● Use EM2R at feed rates of x40% of the criteria listed below.
● Use EM2L at feed rates of x30% of the criteria listed below.
● Please reduce the cutting conditions for tools which have been modified beyond EM2S, EM2R, EM4S, and EM4R.
● Use a machine and chuck that have rigidity and high accuracy.
● Select cutting oil suitable for the work material.
● If the rotational speed does not increase with your machine, lower the feed rate and rotational speed at the same ratio.
Model Number
EM4S
