(!)Due to Microsoft's end of support for Internet Explorer 11 on 15/06/2022, this site does not support the recommended environment.
Dear Valued Customer,
Thank you for your orders and your support, it is greatly appreciated. We would like to inform you that we plan to end the sale of the product below on March 31, 2021. We apologize for any inconvenience this might cause you. We hope that you would consider switching to the replacement products. Should you need any further information, please feel free to contact us.
Miniature Linear Guide Material: Carbon Steel (Please refer to the product list for further information).
Miniature Linear Guide Carbon SteelMarch 31, 2021
Miniature Linear Guide Material: Stainless Steel.
There are no changes in Dimension of Product.
The change of Material from Carbon Steel to Stainless Steel (Equivalent to SUS440C), is the only change.
Material will be changed from Carbon Steel to Stainless Steel. There is no change in Specification, Allowable Load Capacity, Allowable Moment, Standard Accuracy, and everything else.
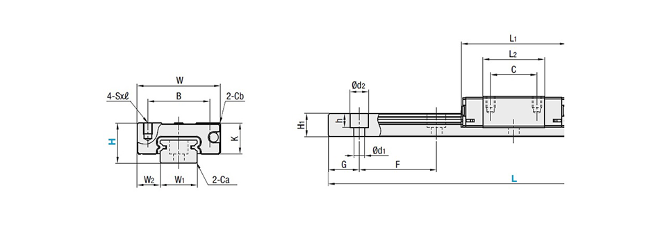
For instance: S(S)EB10-55 Example of Specification Comparison

| Dimension | H | W | L1 | B | C | S×ℓ | L2 | K | W1 | W2 | H1 | d1×d2×h | F | G |
|---|---|---|---|---|---|---|---|---|---|---|---|---|---|---|
| Carbon Steel (SEB10-55) | 10 | 20 | 30 | 15 | 10 | M3×3 | 19 | 7.8 | 9 | 5.5 | 5.5 | 3.5×6×3.5 | 20 | 7.5 |
| Stainless Steel (SSEB10-55) | 10 | 20 | 30 | 15 | 10 | M3×3 | 19 | 7.8 | 9 | 5.5 | 5.5 | 3.5×6×3.5 | 20 | 7.5 |
| Allowable Load Capacity and Allowable Moment |
Basic Load Capacity | Allowable Static Moment | |||
|---|---|---|---|---|---|
| C (Dynamic) kN | Co (Static) kN | MA N·m | MB N·m | MC N·m | |
| Carbon Steel (SEB10-55) | 1.5 | 2.5 | 5.1 | 5.1 | 10.2 |
| Stainless Steel (SSEB10-55) | 1.5 | 2.5 | 5.1 | 5.1 | 10.2 |
In order to change the Part Number to Stainless Steel Product, please add a [S] to the top of Carbon Steel Products part Number. For Low temperature black chrome plating product, please add a [S] next to [R].
(1) Normal product
[Carbon Steel] S E B 10 - 55 ⇒ [Stainless Steel] S S E B 10 - 55
(2) Low temperature black chrome plating product
[Carbon steel] R E B 10 - 55 ⇒ [Stainless Steel] R S E B 10 - 55